网站首页
公司简介
产品中心
荣誉证书
新闻中心
联系我们
产品中心
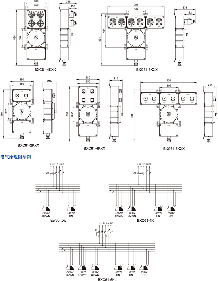
BXC系列防爆检修电源插座箱(ⅡB、ⅡC、DIP)
13587451616
燎原防爆
扫一扫二维码,加我QQ
扫一扫上面的二维码图案
加我微信
燎原控股集团有限公司 © 版权所有 浙ICP备13016579号-1
生产园区:浙江省仙居县永安工业区春晖中路11号
邮箱:1851654877@qq.com 网址:www.cnlyly.com